buick Workshop Repair Guides

Buick Workshop Service and Repair Manuals

Recall - Brake Pipe Replacement|Page 6990 > < Recall - Brake Pipe Replacement|Page 6988
Page 1
background image

Cruise Control Servo: Recalls
Technical Procedure, Label, Parts, & Warranty Information

TECHNICAL PROCEDURE

CAUTION:

Before disconnecting any hydraulic lines, hoses, or fittings, be sure that the accumulator is fully depressurized. Failure to depressurize
the hydraulic accumulator may result in personal injury or damage to painted surfaces.

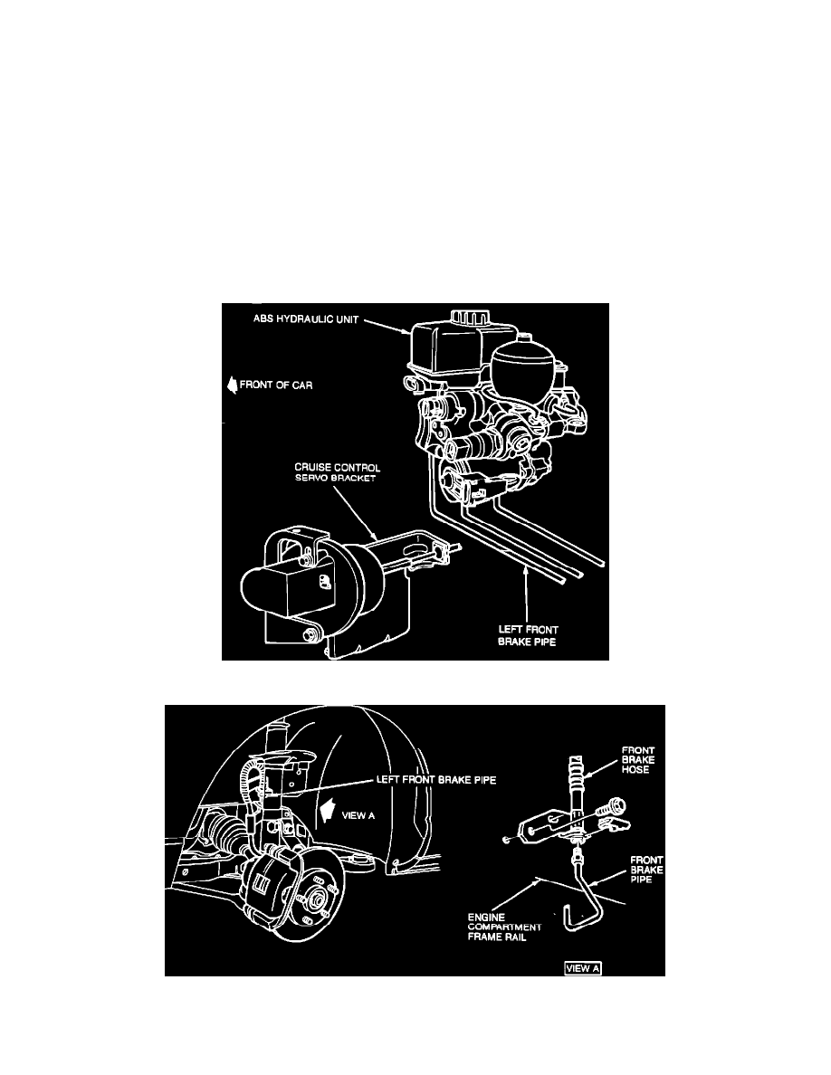
The following steps are to be used to replace the left front brake pipe assembly. Vehicle should be located over a hoist:

1.

With the ignition off, depressurize the hydraulic accumulator by pumping the brake pedal a minimum of 25 times using a pedal force of
approximately 50 lbs. When a definite increase in pedal effort is felt, stroke the pedal a few additional times. This should remove all hydraulic
pressure from the system.

2.

Raise hood and install left fender cover.

3.

To provide access to the brake pipe, remove all electrical connections to the hydraulic brake unit.

FIGURE 1

FIGURE 2

Recall - Brake Pipe Replacement|Page 6990 > < Recall - Brake Pipe Replacement|Page 6988