Buick Workshop Service and Repair Manuals
HOME
FEATURES
MENU
INDEX
ABOUT US
Part 1 of 2|Page 1354 >
< Part 1 of 2|Page 1352
Riviera V6-231 3.8L VIN C SFI (1989)
Maintenance
Fuses and Circuit Breakers
Fuse / Component Information
Diagrams
Electrical Diagrams
Fuse 2
Page 1353
Page 1
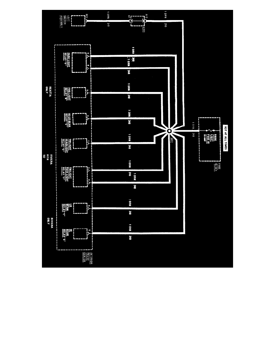
Fuse 10
Maintenance
Fuses and Circuit Breakers
Fuse / Component Information
Diagrams
Electrical Diagrams
Fuse 2
Page 1353
Part 1 of 2|Page 1354 >
< Part 1 of 2|Page 1352