Buick Workshop Service and Repair Manuals
HOME
FEATURES
MENU
INDEX
ABOUT US
Part 1 of 2|Page 4839 >
< Part 1 of 2|Page 4837
Riviera V6-231 3.8L VIN C SFI (1989)
Starting and Charging
Power and Ground Distribution
Fuse / Component Information
Diagrams
Electrical Diagrams
Fuse 2
Page 4838
Page 1
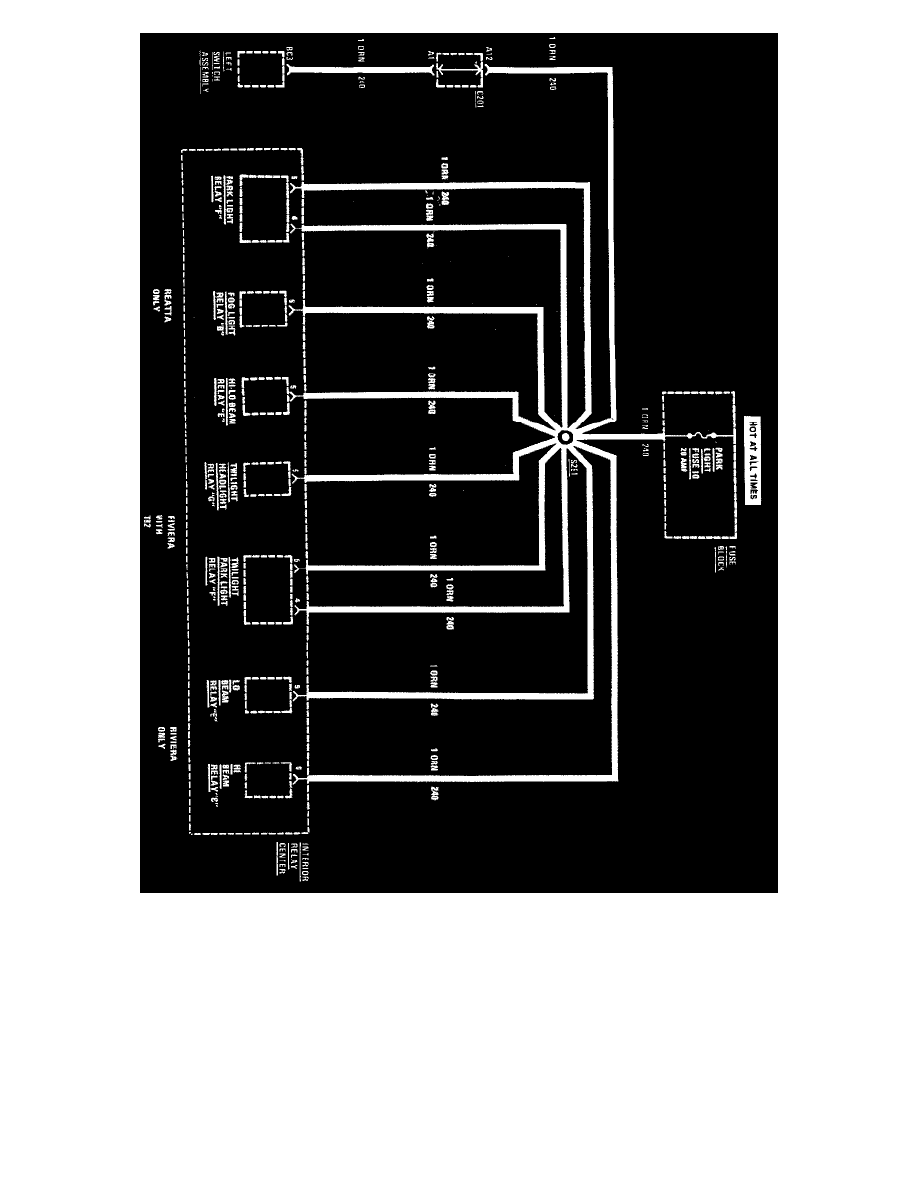
Fuse 10
Starting and Charging
Power and Ground Distribution
Fuse / Component Information
Diagrams
Electrical Diagrams
Fuse 2
Page 4838
Part 1 of 2|Page 4839 >
< Part 1 of 2|Page 4837