Chevrolet Workshop Service and Repair Manuals
HOME
FEATURES
MENU
INDEX
ABOUT US
Lock Cylinder Switch|Locations|Page 630 >
< Engine, A/T Controls - Shared Diagnostic Trouble Codes
Express 2500 V8-5.3L VIN T (2005)
Sensors and Switches
Sensors and Switches - Accessories and Optional Equipment
Lock Cylinder Switch
Component Information
Locations
Page 1
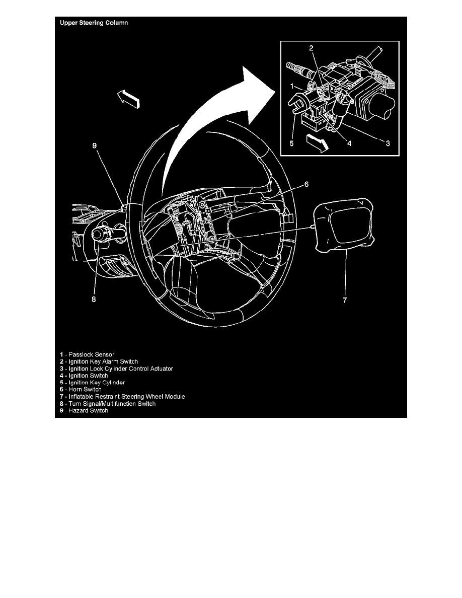
Upper Steering Column
Sensors and Switches
Sensors and Switches - Accessories and Optional Equipment
Lock Cylinder Switch
Component Information
Locations
Lock Cylinder Switch|Locations|Page 630 >
< Engine, A/T Controls - Shared Diagnostic Trouble Codes