Chevrolet Workshop Service and Repair Manuals
HOME
FEATURES
MENU
INDEX
ABOUT US
Diagram Information and Instructions|Page 2157 >
< Diagram Information and Instructions|Page 2155
G 30 Van V6-262 4.3L VIN Z (1992)
Engine, Cooling and Exhaust
Cooling System
Radiator Cooling Fan / Radiator Cooling Fan Motor / Component Information
Diagrams / Diagram Information and Instructions
Page 2156
Page 1
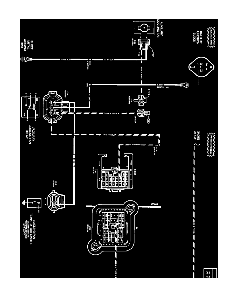
Radiator Cooling Fan Motor: Electrical Diagrams
Engine, Cooling and Exhaust
Cooling System
Radiator Cooling Fan / Radiator Cooling Fan Motor / Component Information
Diagrams / Diagram Information and Instructions
Page 2156
Diagram Information and Instructions|Page 2157 >
< Diagram Information and Instructions|Page 2155