Chevrolet Workshop Service and Repair Manuals
HOME
FEATURES
MENU
INDEX
ABOUT US
Lock Cylinder Switch|Locations|Page 998 >
< Heated Glass Element Relay|Locations|Page 992
Suburban 1/2 Ton 2WD V8-5.3L VIN Z Flex Fuel (2006)
Sensors and Switches
Sensors and Switches - Accessories and Optional Equipment
Lock Cylinder Switch
Component Information
Locations
Page 1
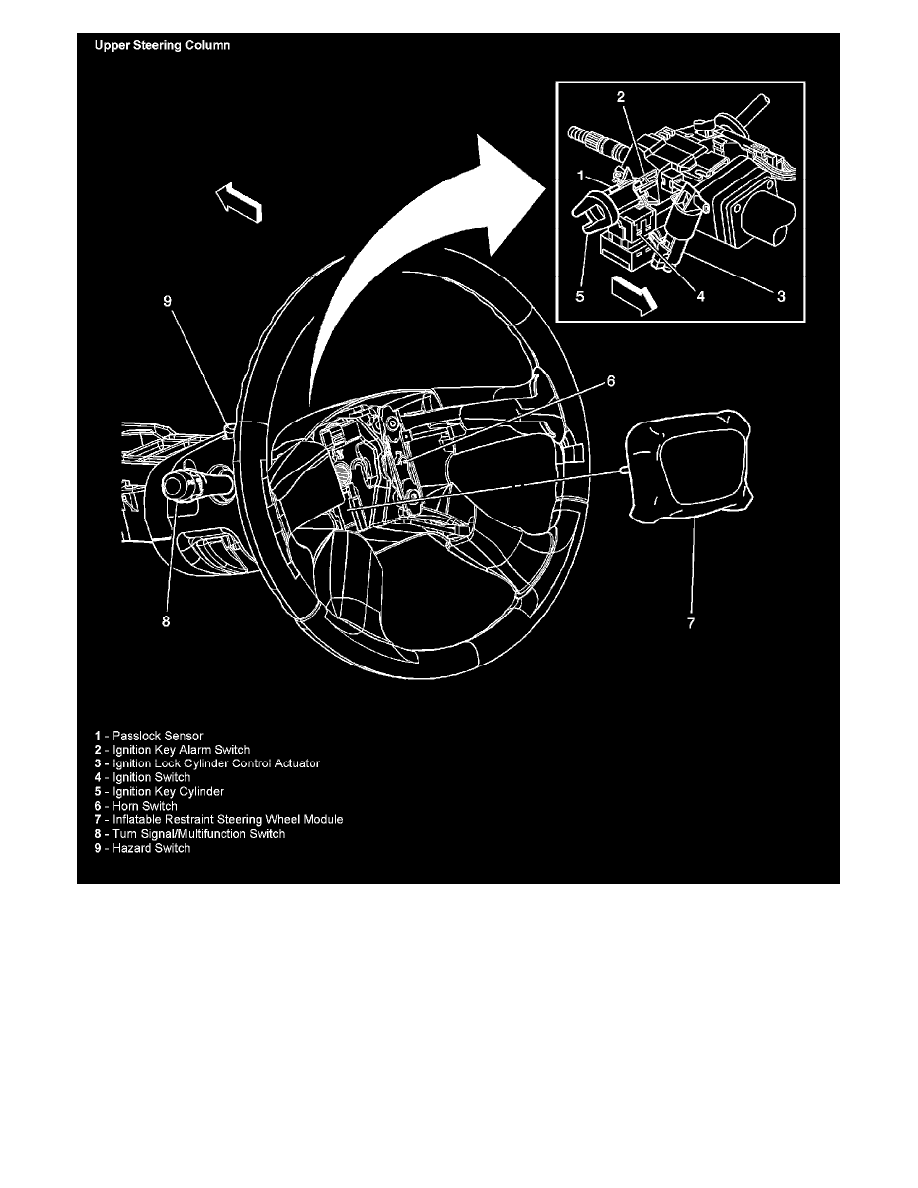
Upper Steering Column
Sensors and Switches
Sensors and Switches - Accessories and Optional Equipment
Lock Cylinder Switch
Component Information
Locations
Lock Cylinder Switch|Locations|Page 998 >
< Heated Glass Element Relay|Locations|Page 992