Chevrolet Workshop Service and Repair Manuals
HOME
FEATURES
MENU
INDEX
ABOUT US
Turn Signal Switch|Locations|Page 15728 >
< Horn Switch|Locations
Suburban 1/2 Ton 4WD V8-5.3L VIN T (2004)
Lighting and Horns
Sensors and Switches - Lighting and Horns
Turn Signal Switch
Component Information
Locations
Page 1
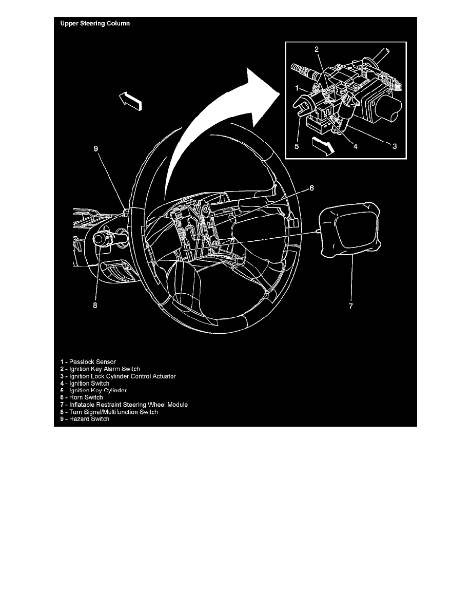
Upper Steering Column
Lighting and Horns
Sensors and Switches - Lighting and Horns
Turn Signal Switch
Component Information
Locations
Turn Signal Switch|Locations|Page 15728 >
< Horn Switch|Locations