Chevrolet Workshop Service and Repair Manuals
HOME
FEATURES
MENU
INDEX
ABOUT US
Lock Cylinder Switch|Locations|Page 1192 >
< Wiper Control Module|Locations|Page 1186
Suburban 1/2 Ton 4WD V8-5.3L VIN T (2004)
Sensors and Switches
Sensors and Switches - Accessories and Optional Equipment
Lock Cylinder Switch
Component Information
Locations
Page 1
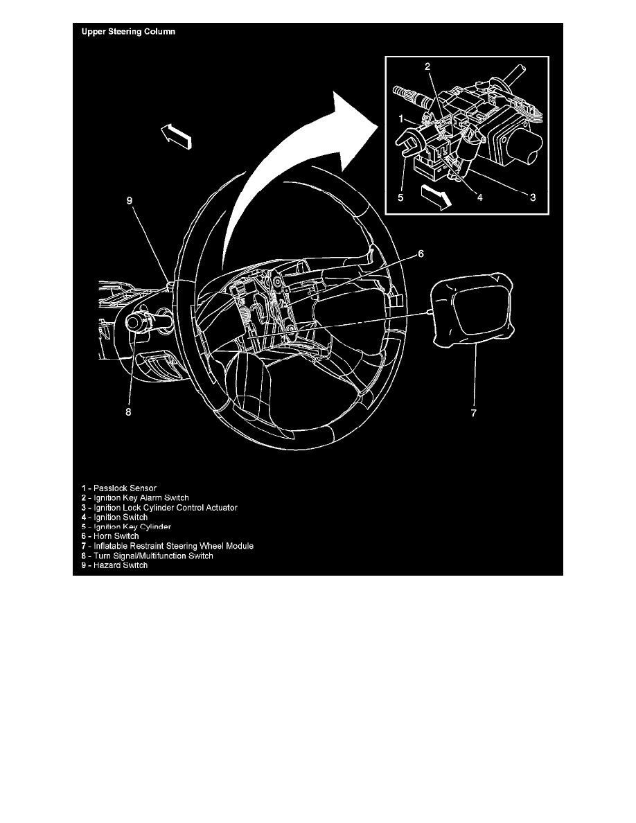
Upper Steering Column
Sensors and Switches
Sensors and Switches - Accessories and Optional Equipment
Lock Cylinder Switch
Component Information
Locations
Lock Cylinder Switch|Locations|Page 1192 >
< Wiper Control Module|Locations|Page 1186