Chevrolet Workshop Service and Repair Manuals
HOME
FEATURES
MENU
INDEX
ABOUT US
Diagram Information and Instructions|Page 11536 >
< Diagram Information and Instructions|Page 11534
Suburban 3/4 Ton 4WD V8-6.0L VIN U (2004)
Accessories and Optional Equipment
Garage Door Opener Transmitter / Component Information
Diagrams / Diagram Information and Instructions
Page 11535
Page 1
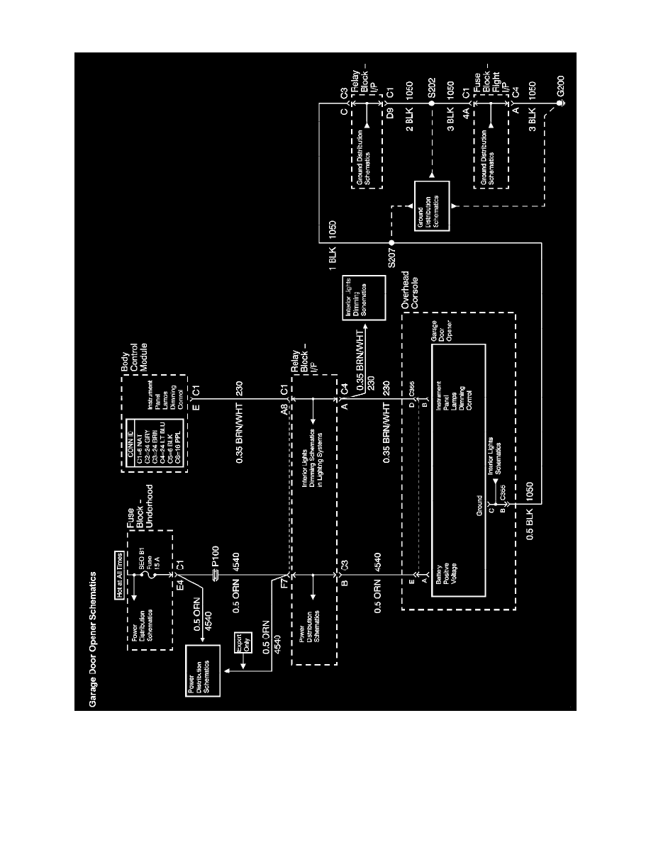
Garage Door Opener Transmitter: Electrical Diagrams
Garage Door Opener Diagram
Accessories and Optional Equipment
Garage Door Opener Transmitter / Component Information
Diagrams / Diagram Information and Instructions
Page 11535
Diagram Information and Instructions|Page 11536 >
< Diagram Information and Instructions|Page 11534