Tracker 4WD L4-2.0L VIN C (1999)

Ignition Coil: Description and Operation
General Information
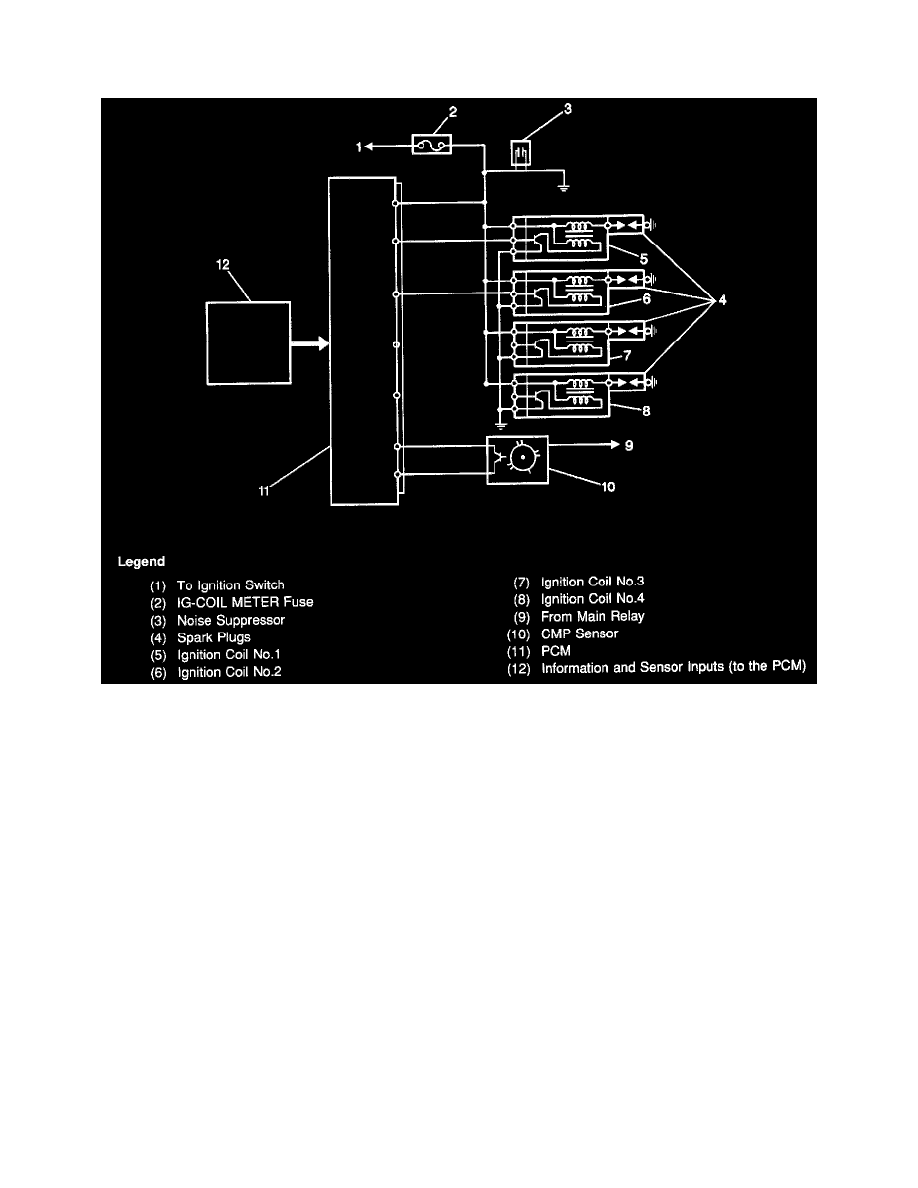
Electronic Ignition (EI) System Description
The electronic ignition system used in this engine is a coil-on-plug design that is controlled by the Powertrain Control Module (PCM).
The ignition system components cannot be disassembled or repaired. A component that is correctly diagnosed as faulty must be replaced as a complete
unit.