Chevrolet Workshop Service and Repair Manuals
HOME
FEATURES
MENU
INDEX
ABOUT US
Diagram Information and Instructions|Page 9788 >
< Diagram Information and Instructions|Page 9786
Tracker 4WD V6-2.5L VIN 4 (2001)
Lighting and Horns
Hazard Warning Lamps / Hazard Warning Flasher / Diagrams / Diagram Information and Instructions
Page 9787
Page 1
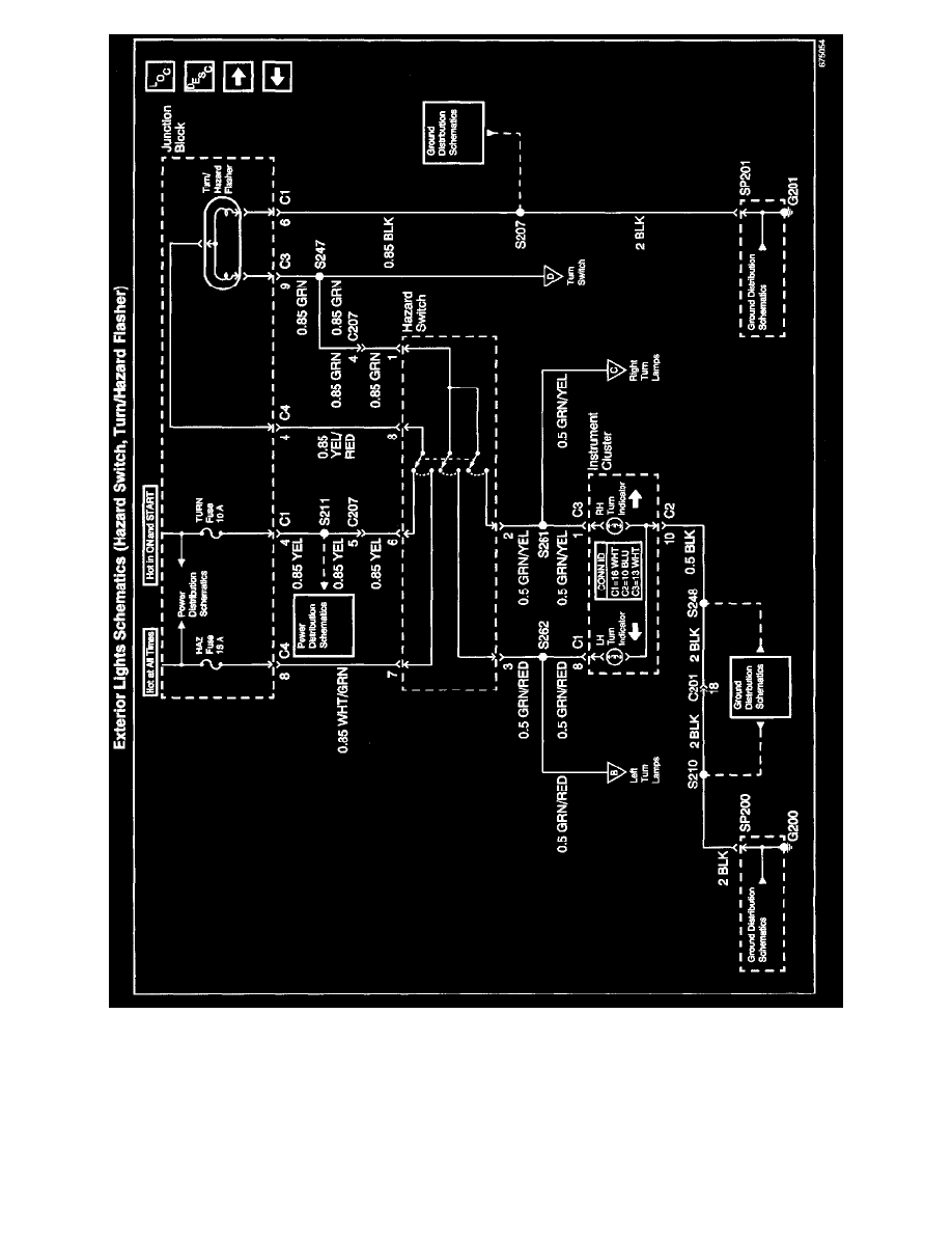
Exterior Lights Schematics: Hazard Switch, Turn/Hazard Flasher
Lighting and Horns
Hazard Warning Lamps / Hazard Warning Flasher / Diagrams / Diagram Information and Instructions
Page 9787
Diagram Information and Instructions|Page 9788 >
< Diagram Information and Instructions|Page 9786