chrysler Workshop Repair Guides

Chrysler Workshop Service and Repair Manuals

Diagram Information and Instructions|Page 4329 > < Diagram Information and Instructions
Page 1
background image

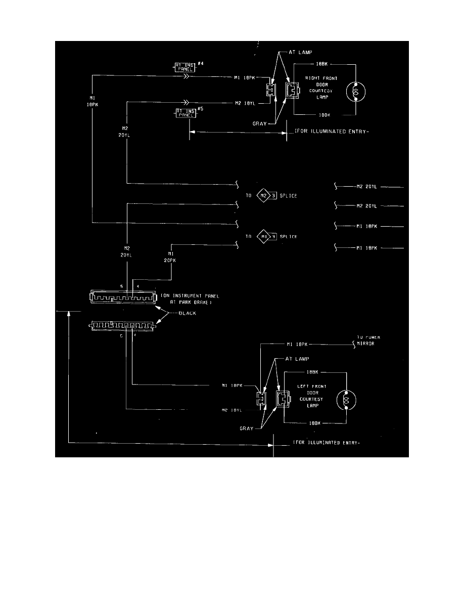
Courtesy Lamp: Electrical Diagrams

Fig. 31  Door Courtesy Lamps Wiring Circuit. 1985 Front Door

Diagram Information and Instructions|Page 4329 > < Diagram Information and Instructions