chrysler Workshop Repair Guides

Chrysler Workshop Service and Repair Manuals

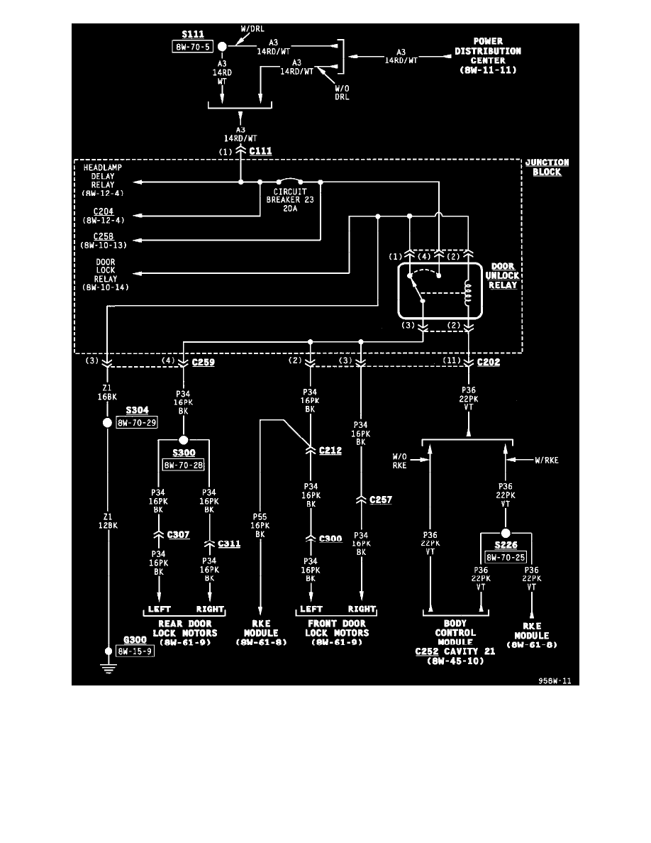
Fuse Block > < Diagram Information and Instructions|Page 1655
Page 13
background image

Fuse/Fuse Block (Part 13 Of 13)

NOTE: To view sheets referred to in these diagrams, see Diagram Information and Instructions/Complete Body and Chassis Diagrams.

Fuse Block > < Diagram Information and Instructions|Page 1655