Chrysler Workshop Service and Repair Manuals
HOME
FEATURES
MENU
INDEX
ABOUT US
Diagram Information and Instructions|Page 3034 >
< Diagram Information and Instructions|Page 3032
LHS V6-3.5L VIN F (1995)
Powertrain Management
Computers and Control Systems
Body Controller <--> [Body Control Module] / Component Information
Diagrams / Diagram Information and Instructions
Page 3033
Page 15
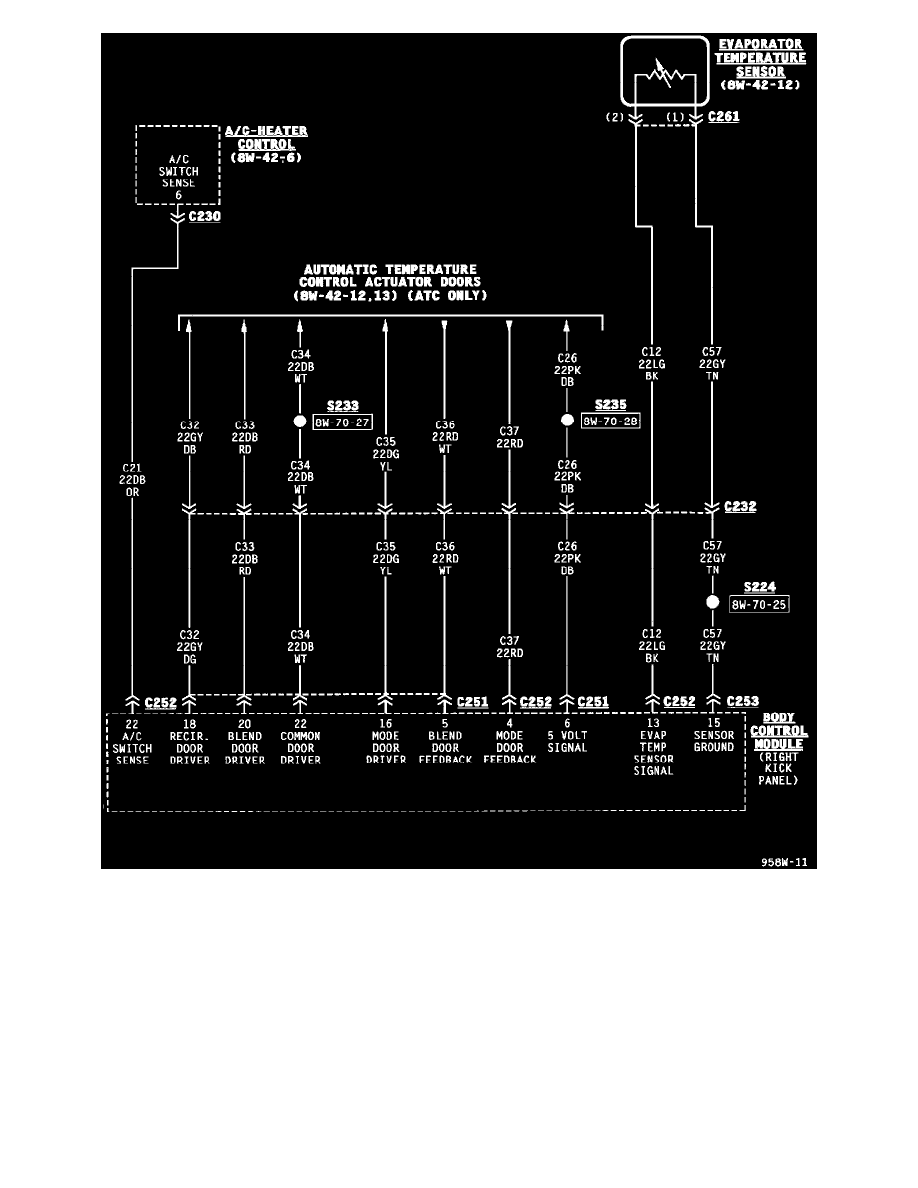
Body Control Module (Part 13 Of 14)
Powertrain Management
Computers and Control Systems
Body Controller <--> [Body Control Module] / Component Information
Diagrams / Diagram Information and Instructions
Page 3033
Diagram Information and Instructions|Page 3034 >
< Diagram Information and Instructions|Page 3032