Chrysler Workshop Service and Repair Manuals
HOME
FEATURES
MENU
INDEX
ABOUT US
Diagram Information and Instructions|Page 3408 >
< Diagram Information and Instructions|Page 3406
LHS V6-3.5L VIN F (1995)
Powertrain Management
Computers and Control Systems
Oxygen Sensor / Component Information
Diagrams / Diagram Information and Instructions
Page 3407
Page 1
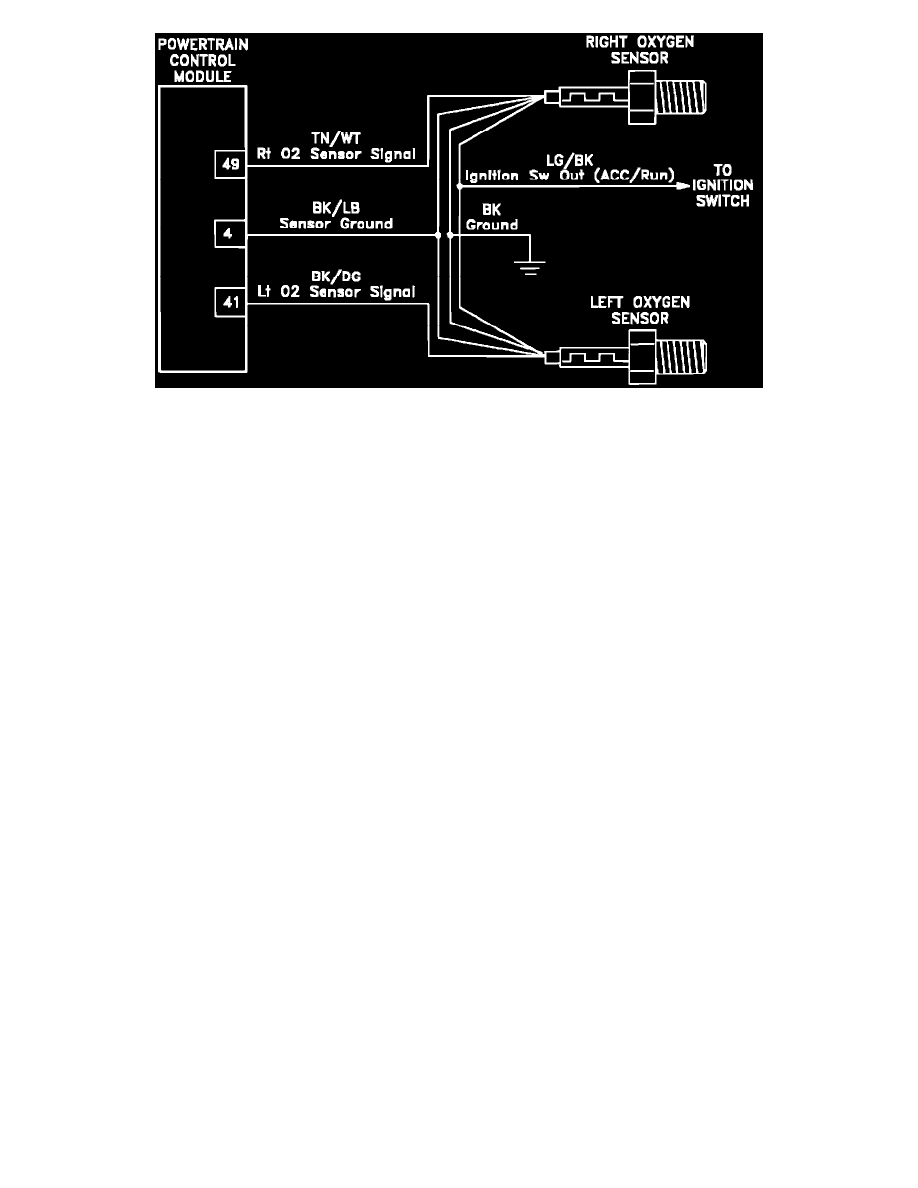
Oxygen Sensor Circuit
Powertrain Management
Computers and Control Systems
Oxygen Sensor / Component Information
Diagrams / Diagram Information and Instructions
Page 3407
Diagram Information and Instructions|Page 3408 >
< Diagram Information and Instructions|Page 3406