Chrysler Workshop Service and Repair Manuals
HOME
FEATURES
MENU
INDEX
ABOUT US
Diagram Information and Instructions|Page 6766 >
< Diagram Information and Instructions|Page 6764
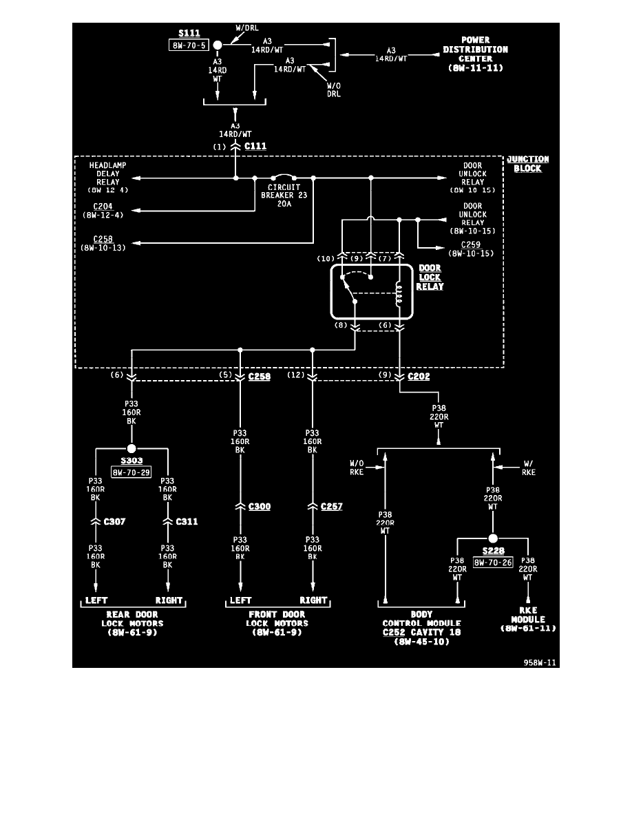
LHS V6-3.5L VIN F (1995)
Starting and Charging
Power and Ground Distribution
Fuse / Component Information
Diagrams / Diagram Information and Instructions
Page 6765
Page 12
Fuse/Fuse Block (Part 12 Of 13)
Starting and Charging
Power and Ground Distribution
Fuse / Component Information
Diagrams / Diagram Information and Instructions
Page 6765
Diagram Information and Instructions|Page 6766 >
< Diagram Information and Instructions|Page 6764