Chrysler Workshop Service and Repair Manuals
HOME
FEATURES
MENU
INDEX
ABOUT US
Diagram Information and Instructions|Page 2676 >
< Diagram Information and Instructions|Page 2674
Pacifica V6-3.8L VIN L (2005)
Powertrain Management
Computers and Control Systems
Body Control Module / Component Information
Diagrams / Diagram Information and Instructions
Page 2675
Page 29
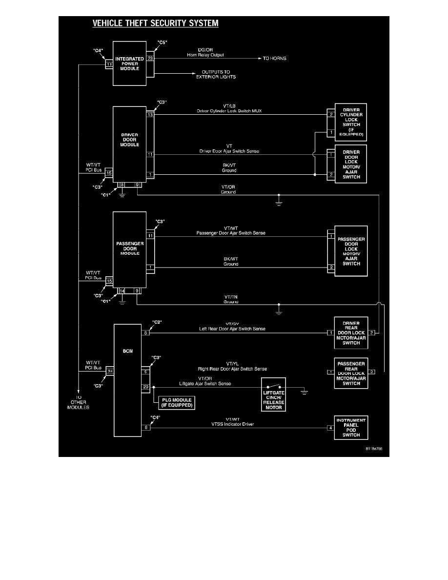
Vehicle Theft Security System
Powertrain Management
Computers and Control Systems
Body Control Module / Component Information
Diagrams / Diagram Information and Instructions
Page 2675
Diagram Information and Instructions|Page 2676 >
< Diagram Information and Instructions|Page 2674