Chrysler Workshop Service and Repair Manuals
HOME
FEATURES
MENU
INDEX
ABOUT US
Diagram Information and Instructions|Page 2199 >
< Diagram Information and Instructions|Page 2197
Pacifica V6-3.8L VIN L (2005)
Powertrain Management
Relays and Modules - Powertrain Management / Relays and Modules - Computers and Control Systems / Body Control Module / Component Information
Diagrams / Diagram Information and Instructions
Page 2198
Page 29
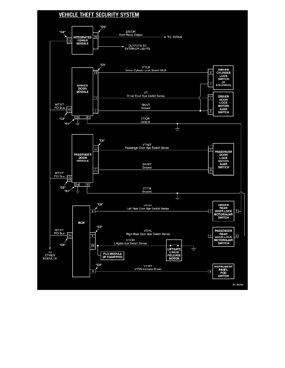
Vehicle Theft Security System
Powertrain Management
Relays and Modules - Powertrain Management / Relays and Modules - Computers and Control Systems / Body Control Module / Component Information
Diagrams / Diagram Information and Instructions
Page 2198
Diagram Information and Instructions|Page 2199 >
< Diagram Information and Instructions|Page 2197