chrysler Workshop Repair Guides

Chrysler Workshop Service and Repair Manuals

Diagram Information and Instructions|Page 4985 > < Diagram Information and Instructions|Page 4983
Page 1
background image

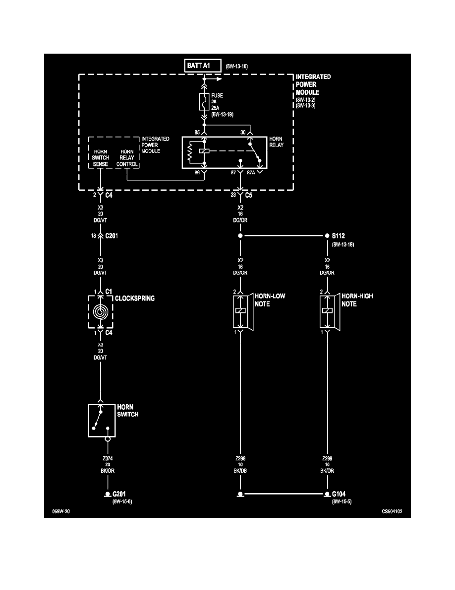
Auxiliary Power Outlet: Electrical Diagrams

PLEASE NOTE:  Some diagrams may appear to be missing because of gaps in the number sequences. These "gaps" are actually for diagrams that do
not apply to the vehicle model selected.

8w-41-2

Diagram Information and Instructions|Page 4985 > < Diagram Information and Instructions|Page 4983