Chrysler Workshop Service and Repair Manuals
HOME
FEATURES
MENU
INDEX
ABOUT US
Diagram Information and Instructions|Page 7918 >
< Diagram Information and Instructions|Page 7916
Town & Country Van AWD V6-230 3.8L VIN L SMFI (1998)
Body and Frame
Body Control Systems / Body Control Module / Component Information
Diagrams / Diagram Information and Instructions
Page 7917
Page 11
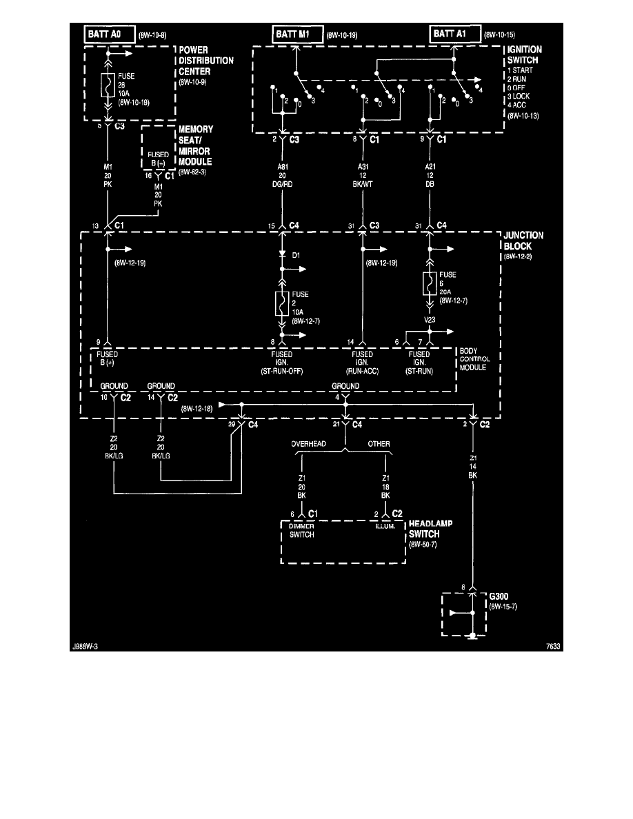
Body Control Module (Part 1 Of 7)
Body and Frame
Body Control Systems / Body Control Module / Component Information
Diagrams / Diagram Information and Instructions
Page 7917
Diagram Information and Instructions|Page 7918 >
< Diagram Information and Instructions|Page 7916