Chrysler Workshop Service and Repair Manuals
HOME
FEATURES
MENU
INDEX
ABOUT US
Lighting/A/C - Wiring/Mode Door Actuator Service Rev.|Page 7023 >
< Lighting/A/C - Wiring/Mode Door Actuator Service Rev.
Town & Country Van AWD V6-230 3.8L VIN L SMFI (1998)
Heating and Air Conditioning
Air Door, HVAC / Air Door Actuator / Motor, HVAC / Technical Service Bulletins / Lighting/A/C - Wiring/Mode Door Actuator Service Rev.
Page 7022
Page 2
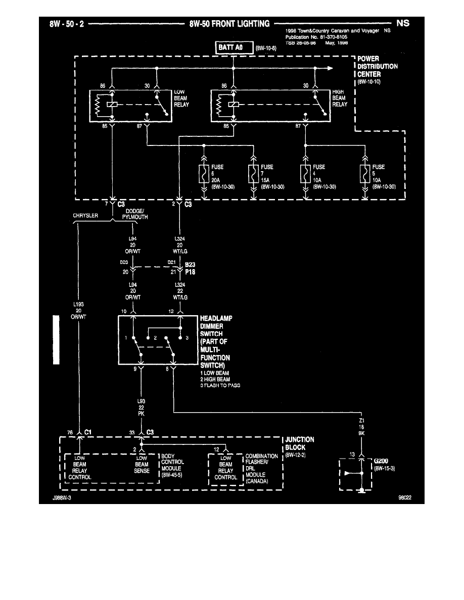
8W-50-2
Revision to the heater A/c mode door actuator removal procedure
Heating and Air Conditioning
Air Door, HVAC / Air Door Actuator / Motor, HVAC / Technical Service Bulletins / Lighting/A/C - Wiring/Mode Door Actuator Service Rev.
Page 7022
Lighting/A/C - Wiring/Mode Door Actuator Service Rev.|Page 7023 >
< Lighting/A/C - Wiring/Mode Door Actuator Service Rev.