chrysler Workshop Repair Guides

Chrysler Workshop Service and Repair Manuals

Diagram Information and Instructions|Page 6355 > < Diagram Information and Instructions|Page 6353
Page 2
background image

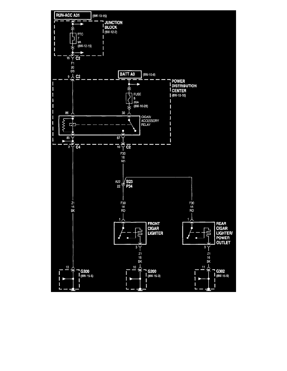
Horn/Cigar Lighter/Power Outlet (Part 2 Of 2)

NOTE:  To view sheets referred in these diagrams, see Diagram Information and Instructions/Complete Body and Chassis Diagrams.

Diagram Information and Instructions|Page 6355 > < Diagram Information and Instructions|Page 6353