Chrysler Workshop Service and Repair Manuals
HOME
FEATURES
MENU
INDEX
ABOUT US
Diagram Information and Instructions|Page 218 >
< Diagram Information and Instructions|Page 216
Town & Country Van AWD V6-230 3.8L VIN L SMFI (1998)
Relays and Modules
Relays and Modules - Powertrain Management / Relays and Modules - Computers and Control Systems / Body Control Module / Component Information
Diagrams / Diagram Information and Instructions
Page 217
Page 11
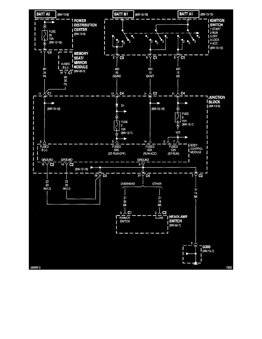
Body Control Module (Part 1 Of 7)
Relays and Modules
Relays and Modules - Powertrain Management / Relays and Modules - Computers and Control Systems / Body Control Module / Component Information
Diagrams / Diagram Information and Instructions
Page 217
Diagram Information and Instructions|Page 218 >
< Diagram Information and Instructions|Page 216