Chrysler Workshop Service and Repair Manuals
HOME
FEATURES
MENU
INDEX
ABOUT US
Diagram Information and Instructions|Page 223 >
< Diagram Information and Instructions|Page 221
Town & Country Van AWD V6-230 3.8L VIN L SMFI (1998)
Relays and Modules
Relays and Modules - Powertrain Management / Relays and Modules - Computers and Control Systems / Body Control Module / Component Information
Diagrams / Diagram Information and Instructions
Page 222
Page 16
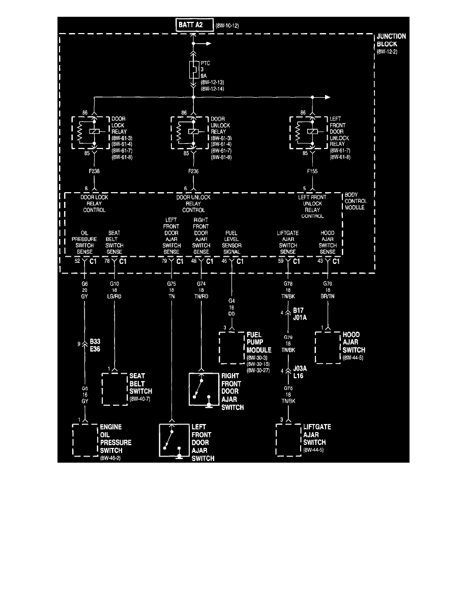
Body Control Module (Part 6 Of 7)
Relays and Modules
Relays and Modules - Powertrain Management / Relays and Modules - Computers and Control Systems / Body Control Module / Component Information
Diagrams / Diagram Information and Instructions
Page 222
Diagram Information and Instructions|Page 223 >
< Diagram Information and Instructions|Page 221