Chrysler Workshop Service and Repair Manuals
HOME
FEATURES
MENU
INDEX
ABOUT US
Diagram Information and Instructions|Page 6172 >
< Diagram Information and Instructions|Page 6170
Town & Country Van AWD V6-230 3.8L VIN L SMFI (1998)
Starting and Charging
Power and Ground Distribution / Auxiliary Power Outlet / Diagrams / Diagram Information and Instructions
Page 6171
Page 1
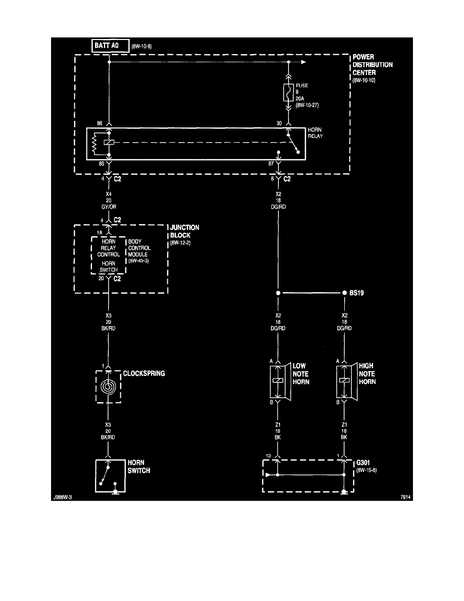
Auxiliary Power Outlet: Electrical Diagrams
Horn/Cigar Lighter/Power Outlet (Part 1 Of 2)
Starting and Charging
Power and Ground Distribution / Auxiliary Power Outlet / Diagrams / Diagram Information and Instructions
Page 6171
Diagram Information and Instructions|Page 6172 >
< Diagram Information and Instructions|Page 6170