Chrysler Workshop Service and Repair Manuals
HOME
FEATURES
MENU
INDEX
ABOUT US
Diagram Information and Instructions|Page 6281 >
< Diagram Information and Instructions|Page 6279
Town & Country Van AWD V6-230 3.8L VIN L SMFI (1998)
Starting and Charging
Power and Ground Distribution
Multiple Junction Connector / Diagrams / Diagram Information and Instructions
Page 6280
Page 11
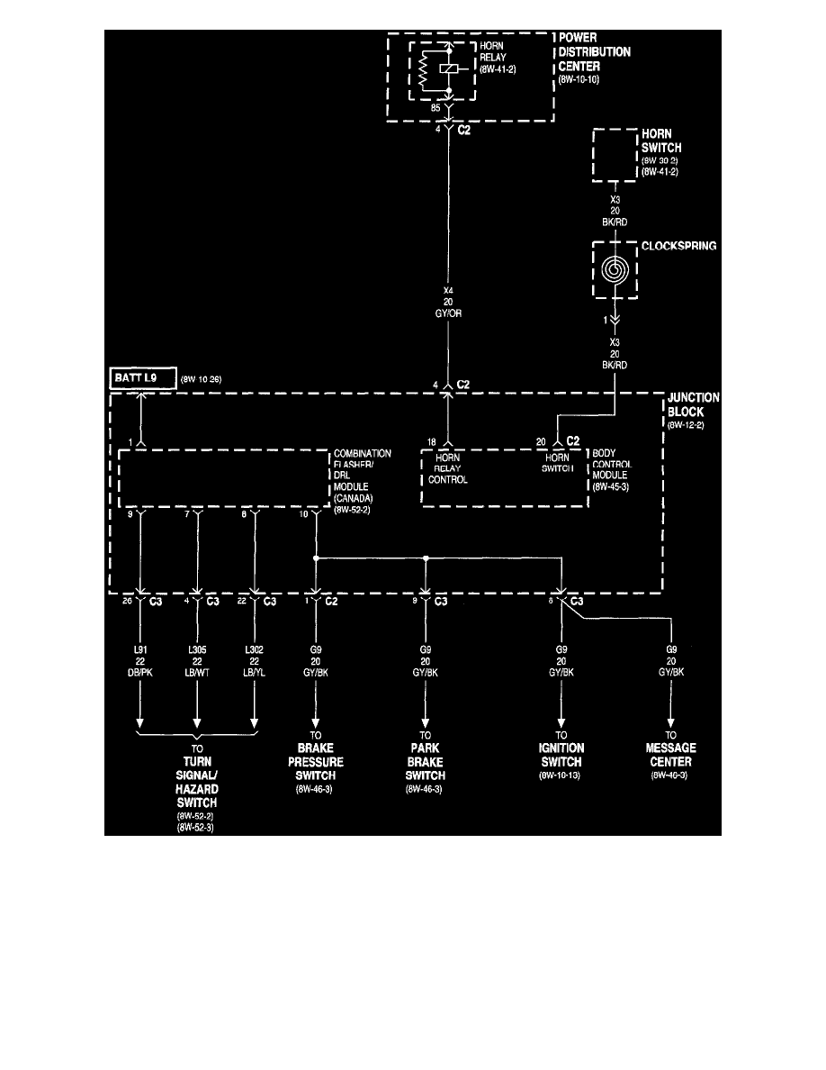
Junction Block (Part 10 Of 16)
Starting and Charging
Power and Ground Distribution
Multiple Junction Connector / Diagrams / Diagram Information and Instructions
Page 6280
Diagram Information and Instructions|Page 6281 >
< Diagram Information and Instructions|Page 6279