Chrysler Workshop Service and Repair Manuals
HOME
FEATURES
MENU
INDEX
ABOUT US
Diagram Information and Instructions|Page 2914 >
< Diagram Information and Instructions|Page 2912
Voyager L4-2.4L VIN B (2001)
Powertrain Management
Computers and Control Systems
Relays and Modules - Computers and Control Systems / Body Control Module / Component Information
Diagrams / Diagram Information and Instructions
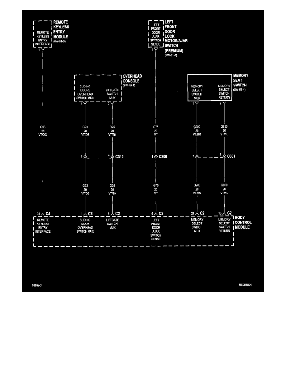
Page 2913
Page 3
8w-45-4
Powertrain Management
Computers and Control Systems
Relays and Modules - Computers and Control Systems / Body Control Module / Component Information
Diagrams / Diagram Information and Instructions
Page 2913
Diagram Information and Instructions|Page 2914 >
< Diagram Information and Instructions|Page 2912