Chrysler Workshop Service and Repair Manuals
HOME
FEATURES
MENU
INDEX
ABOUT US
Diagram Information and Instructions|Page 1142 >
< Diagram Information and Instructions|Page 1140
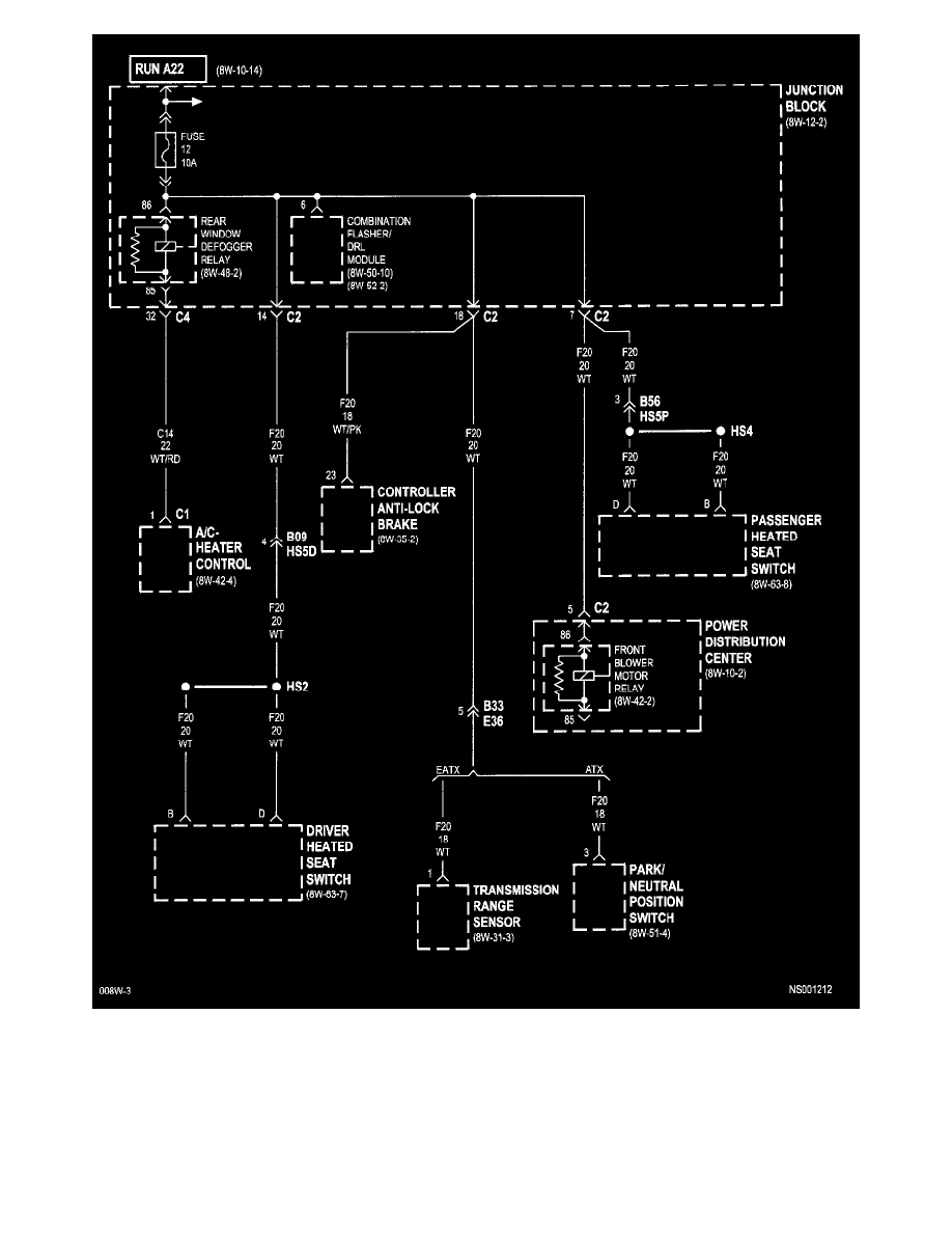
Voyager V6-3.0L VIN 3 (2000)
Maintenance
Fuses and Circuit Breakers
Fuse Block / Component Information
Diagrams / Diagram Information and Instructions
Page 1141
Page 5
8w-12-12
Maintenance
Fuses and Circuit Breakers
Fuse Block / Component Information
Diagrams / Diagram Information and Instructions
Page 1141
Diagram Information and Instructions|Page 1142 >
< Diagram Information and Instructions|Page 1140