Chrysler Workshop Service and Repair Manuals
HOME
FEATURES
MENU
INDEX
ABOUT US
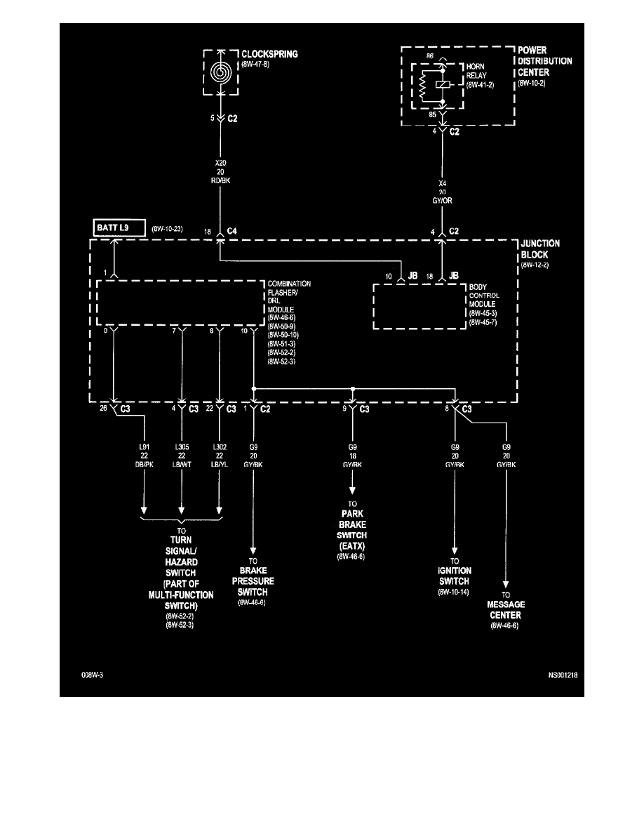
Diagram Information and Instructions|Page 1148 >
< Diagram Information and Instructions|Page 1146
Voyager V6-3.0L VIN 3 (2000)
Maintenance
Fuses and Circuit Breakers
Fuse Block / Component Information
Diagrams / Diagram Information and Instructions
Page 1147
Page 11
8w-12-18
Maintenance
Fuses and Circuit Breakers
Fuse Block / Component Information
Diagrams / Diagram Information and Instructions
Page 1147
Diagram Information and Instructions|Page 1148 >
< Diagram Information and Instructions|Page 1146