Chrysler Workshop Service and Repair Manuals
HOME
FEATURES
MENU
INDEX
ABOUT US
Diagram Information and Instructions|Page 1150 >
< Diagram Information and Instructions|Page 1148
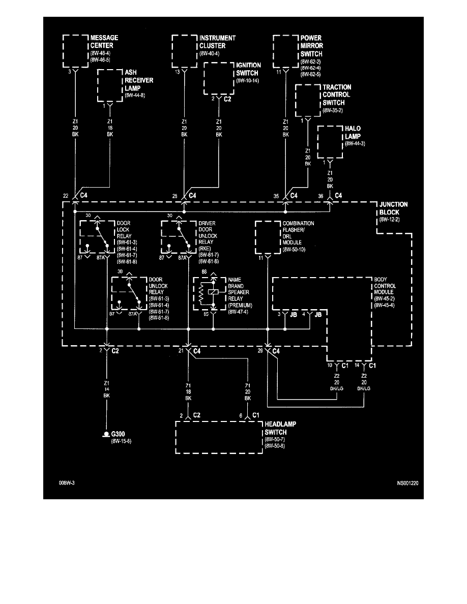
Voyager V6-3.0L VIN 3 (2000)
Maintenance
Fuses and Circuit Breakers
Fuse Block / Component Information
Diagrams / Diagram Information and Instructions
Page 1149
Page 13
8w-12-20
Maintenance
Fuses and Circuit Breakers
Fuse Block / Component Information
Diagrams / Diagram Information and Instructions
Page 1149
Diagram Information and Instructions|Page 1150 >
< Diagram Information and Instructions|Page 1148