Chrysler Workshop Service and Repair Manuals
HOME
FEATURES
MENU
INDEX
ABOUT US
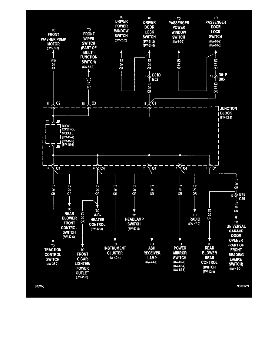
Diagram Information and Instructions|Page 1154 >
< Diagram Information and Instructions|Page 1152
Voyager V6-3.0L VIN 3 (2000)
Maintenance
Fuses and Circuit Breakers
Fuse Block / Component Information
Diagrams / Diagram Information and Instructions
Page 1153
Page 17
8w-12-24
Maintenance
Fuses and Circuit Breakers
Fuse Block / Component Information
Diagrams / Diagram Information and Instructions
Page 1153
Diagram Information and Instructions|Page 1154 >
< Diagram Information and Instructions|Page 1152