Chrysler Workshop Service and Repair Manuals
HOME
FEATURES
MENU
INDEX
ABOUT US
Diagram Information and Instructions|Page 1169 >
< Diagram Information and Instructions|Page 1167
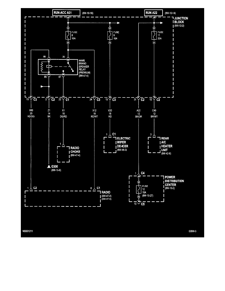
Voyager V6-3.3L VIN R (2000)
Maintenance
Fuses and Circuit Breakers
Fuse Block / Component Information
Diagrams / Diagram Information and Instructions
Page 1168
Page 4
8w-12-11
Maintenance
Fuses and Circuit Breakers
Fuse Block / Component Information
Diagrams / Diagram Information and Instructions
Page 1168
Diagram Information and Instructions|Page 1169 >
< Diagram Information and Instructions|Page 1167