Chrysler Workshop Service and Repair Manuals
HOME
FEATURES
MENU
INDEX
ABOUT US
Diagram Information and Instructions|Page 1173 >
< Diagram Information and Instructions|Page 1171
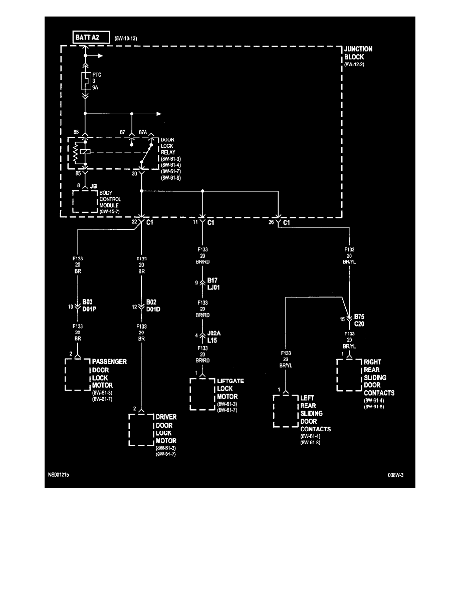
Voyager V6-3.3L VIN R (2000)
Maintenance
Fuses and Circuit Breakers
Fuse Block / Component Information
Diagrams / Diagram Information and Instructions
Page 1172
Page 8
8w-12-15
Maintenance
Fuses and Circuit Breakers
Fuse Block / Component Information
Diagrams / Diagram Information and Instructions
Page 1172
Diagram Information and Instructions|Page 1173 >
< Diagram Information and Instructions|Page 1171