Chrysler Workshop Service and Repair Manuals
HOME
FEATURES
MENU
INDEX
ABOUT US
Diagram Information and Instructions|Page 4223 >
< Diagram Information and Instructions|Page 4221
Voyager V6-3.3L VIN R (2000)
Starting and Charging
Power and Ground Distribution
Fuse Block / Component Information
Diagrams / Diagram Information and Instructions
Page 4222
Page 1
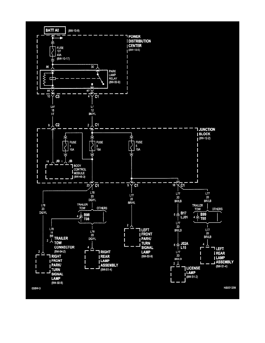
Fuse Block: Electrical Diagrams
8w-12-8
Starting and Charging
Power and Ground Distribution
Fuse Block / Component Information
Diagrams / Diagram Information and Instructions
Page 4222
Diagram Information and Instructions|Page 4223 >
< Diagram Information and Instructions|Page 4221