Chrysler Workshop Service and Repair Manuals
HOME
FEATURES
MENU
INDEX
ABOUT US
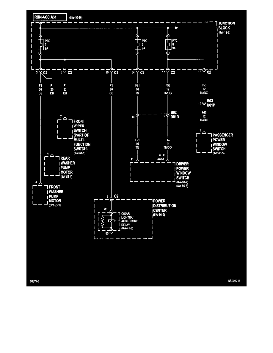
Diagram Information and Instructions|Page 4231 >
< Diagram Information and Instructions|Page 4229
Voyager V6-3.3L VIN R (2000)
Starting and Charging
Power and Ground Distribution
Fuse Block / Component Information
Diagrams / Diagram Information and Instructions
Page 4230
Page 9
8w-12-16
Starting and Charging
Power and Ground Distribution
Fuse Block / Component Information
Diagrams / Diagram Information and Instructions
Page 4230
Diagram Information and Instructions|Page 4231 >
< Diagram Information and Instructions|Page 4229