Daihatsu Workshop Service and Repair Manuals
HOME
FEATURES
MENU
INDEX
ABOUT US
Relays and Modules - Body and Frame >
< Diagram Information and Instructions|Page 1853
Charade L4-1295cc 1.3L (1989)
Body and Frame
Mirrors
Power Mirror Switch / Component Information
Diagrams / Diagram Information and Instructions
Page 1854
Page 1
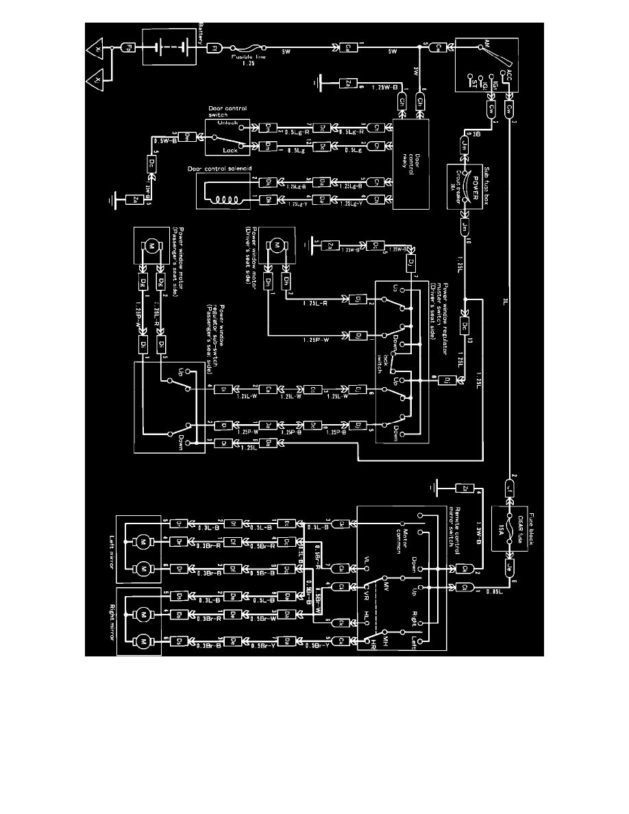
Power Door Locks, Windows, And Mirror
Body and Frame
Mirrors
Power Mirror Switch / Component Information
Diagrams / Diagram Information and Instructions
Page 1854
Relays and Modules - Body and Frame >
< Diagram Information and Instructions|Page 1853