Caliber L4-2.0L (2008)
Brake Caliper: Overhaul
Rear
DISASSEMBLY
NOTE: Before disassembling the brake caliper, remove it from the vehicle. See: Removal and Replacement/Disc Brake Caliper - Removal
NOTE: Before disassembling the brake caliper, clean and inspect it. See: Procedures/Disc Brake Caliper - Inspection
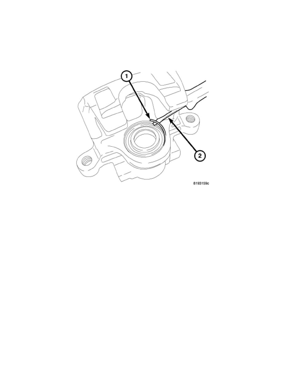
1. With finger tip, trace around the outside perimeter of the piston dust boot to find the ends of the boot snap-ring.
2. Using a small screwdriver (2) or like tool, carefully remove the boot snap-ring (1) making sure not to damage the dust boot, piston or piston bore.
3. Carefully pull the piston dust boot away from the caliper boot groove.
WARNING: Under no condition should high pressure air ever be used to remove a piston from a caliper bore. Personal injury could
result from such a practice.
CAUTION: Do not use excessive force when clamping caliper in vise. Excessive vise pressure will cause bore distortion.
