Dodge Workshop Service and Repair Manuals
HOME
FEATURES
MENU
INDEX
ABOUT US
Diagram Information and Instructions|Page 3313 >
< Diagram Information and Instructions|Page 3311
Caliber L4-2.0L VIN B (2007)
Powertrain Management
Computers and Control Systems
Information Bus / Diagrams / Diagram Information and Instructions
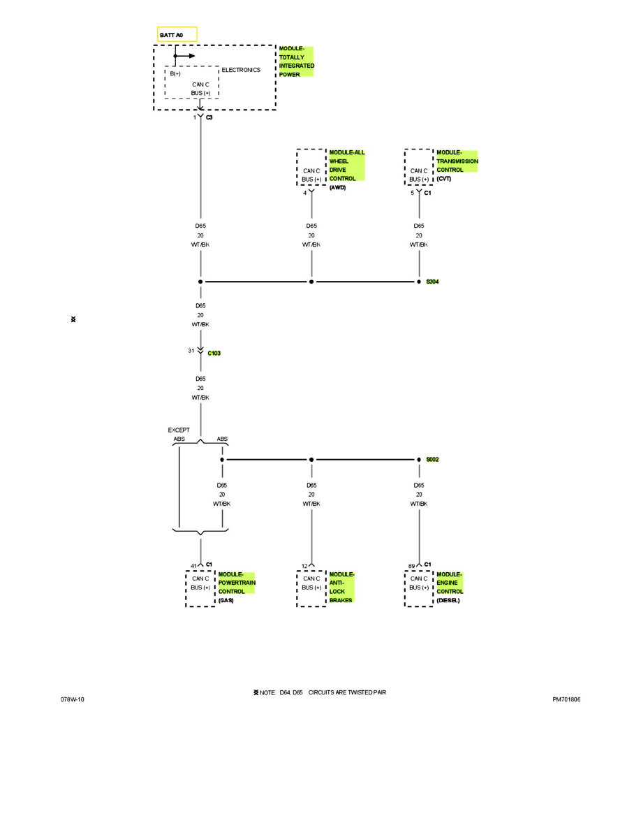
Page 3312
Page 5
8w-18-06
Powertrain Management
Computers and Control Systems
Information Bus / Diagrams / Diagram Information and Instructions
Page 3312
Diagram Information and Instructions|Page 3313 >
< Diagram Information and Instructions|Page 3311