Caliber L4-2.0L VIN B (2007)
Fuel Injector: Service and Repair
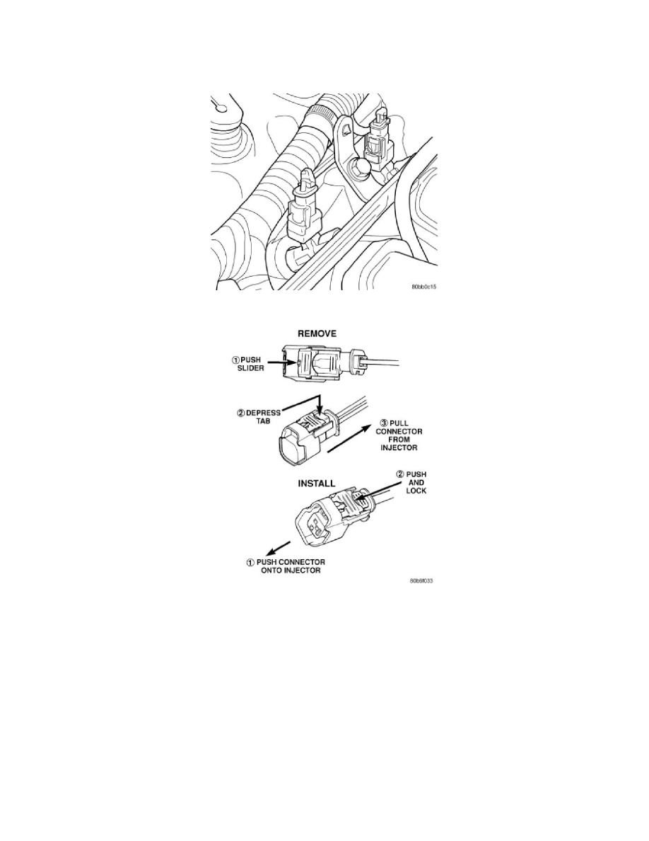
Removal - Injector Connector
REMOVAL - INJECTOR CONNECTOR
1. Disconnect electrical connectors at the fuel injectors.
2. To remove connector pull the red colored slider away from injector (1). While pulling the slider, depress tab (2) and remove connector (3) from
injector. The factory fuel injection wiring harness is numerically tagged (INJ 1, INJ 2, etc.) for injector position identification. If harness is not
tagged, make note of wiring location before removal.
