Caliber SRT-4 L4-2.4L Turbo VIN F (2007)
Piston: Removal and Replacement
Piston and Connecting Rod - Removal
REMOVAL
NOTE: Pistons, rings, and rods are serviced as an assembly.
CAUTION: To maintain engine balance, 1, 3, or 4 pistons can be replaced. If 2 pistons are replaced, engine will be out of balance.
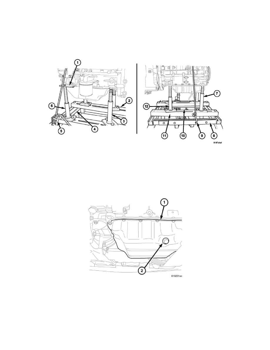
1. Remove engine.
2. Separate engine from transaxle.
3. Remove engine from dolly 6135 (8) and place on a suitable engine stand.
4. Remove cylinder head.
5. Drain engine oil (2).
6. Remove oil pan (1).
