Dodge Workshop Service and Repair Manuals
HOME
FEATURES
MENU
INDEX
ABOUT US
Diagram Information and Instructions|Page 3057 >
< Diagram Information and Instructions|Page 3055
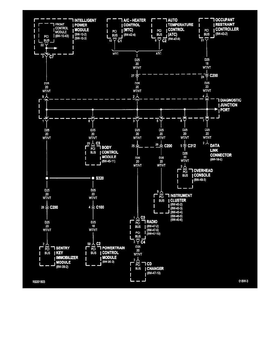
Caravan FWD V6-3.3L VIN 3 Flex Fuel (2001)
Powertrain Management
Computers and Control Systems
Information Bus / Diagrams / Diagram Information and Instructions
Page 3056
Page 2
8w-18-3
Powertrain Management
Computers and Control Systems
Information Bus / Diagrams / Diagram Information and Instructions
Page 3056
Diagram Information and Instructions|Page 3057 >
< Diagram Information and Instructions|Page 3055