dodge Workshop Repair Guides

Dodge Workshop Service and Repair Manuals

Engine Oil Pan - Removal|Page 2079 > < Engine Oil Pan - Removal|Page 2077
Page 3
background image

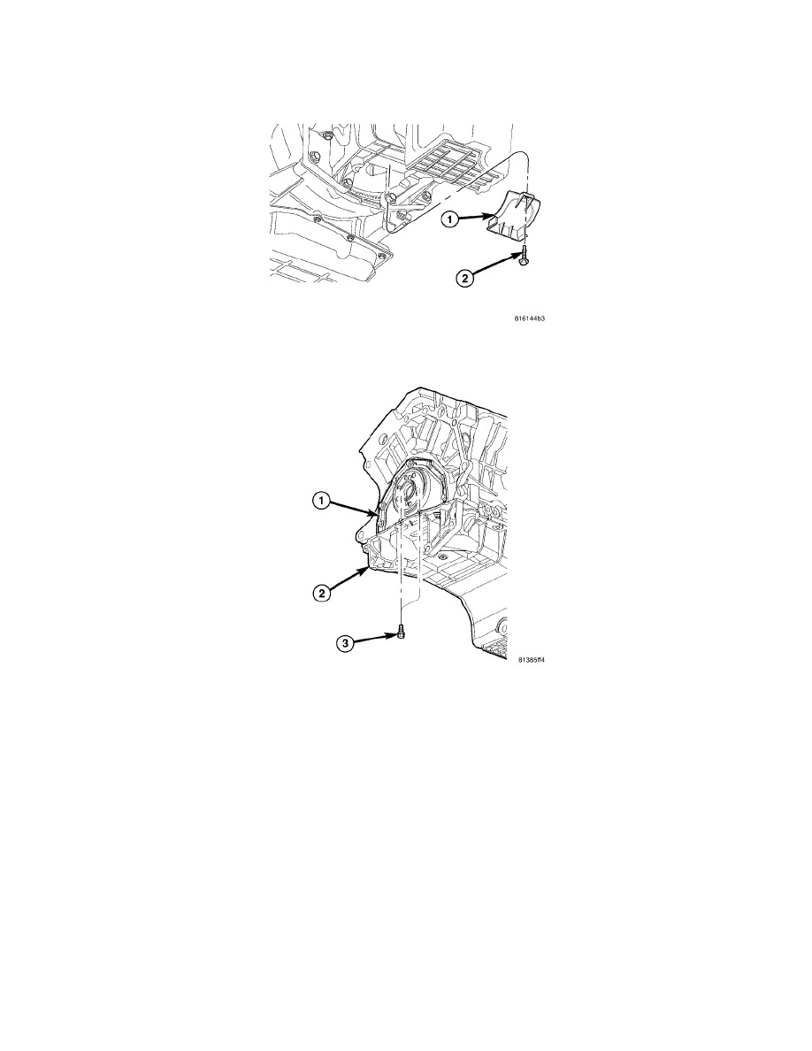
12. Remove the four bolts (1) that secure the oil pan (2) to the transmission (3).

13. Remove the flex plate access cover (1).

14. Remove the two rear oil pan bolts (3).

Engine Oil Pan - Removal|Page 2079 > < Engine Oil Pan - Removal|Page 2077