Challenger V6-3.5L (2009)
Heater Hose: Service and Repair
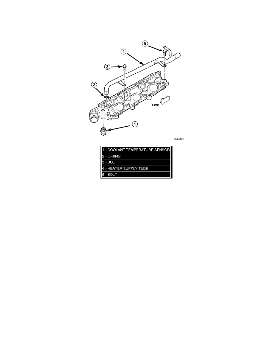
Heater Core Supply Hose - Installation
3.5L
1. Clean heater tube sealing surfaces.
2. Inspect heater tube O-ring (2). Replace as necessary.
3. Lubricate O-ring (2) with a silicone type grease such as Mopar(R) Dielectric Grease.
4. Install O-ring (2) on heater supply tube (4).
5. Install heater tube (4) on manifold.
6. Install retaining bolts. Tighten bolts to 12 Nm (105 in. lbs.).
7. Install lower and upper intake manifolds See: Engine, Cooling and Exhaust/Engine/Intake Manifold/Service and Repair/Intake Manifold -
Installation and See: Engine, Cooling and Exhaust/Engine/Intake Manifold/Service and Repair/Intake Manifold - Installation.
8. Refill cooling system See: Engine, Cooling and Exhaust/Cooling System/Service and Repair.
9. Operate engine until it reaches normal operating temperature. Check cooling system for correct fluid levels.
