dodge Workshop Repair Guides

Dodge Workshop Service and Repair Manuals

Oxygen Sensor 1/1 4 Way|Page 3097 > < Oxygen Sensor 1/1 4 Way|Page 3095
Page 1
background image

Oxygen Sensor: Testing and Inspection

CHECKING THE OXYGEN SENSOR OPERATION

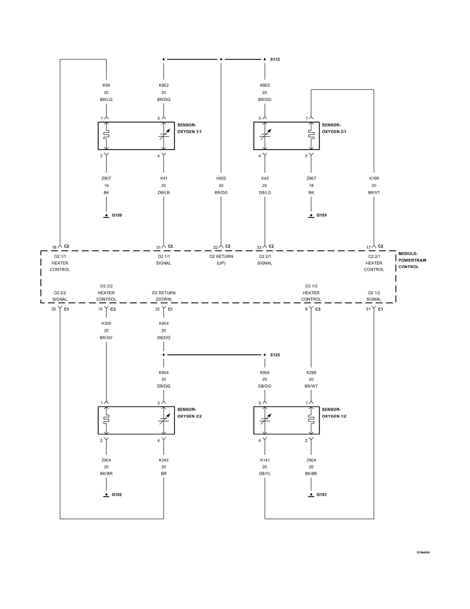
For a complete wiring diagram, refer to the wiring information See: Diagrams/Electrical Diagrams.

1. OXYGEN SENSOR, WIRING, OR CONNECTORS

Oxygen Sensor 1/1 4 Way|Page 3097 > < Oxygen Sensor 1/1 4 Way|Page 3095