Challenger V6-3.5L (2009)
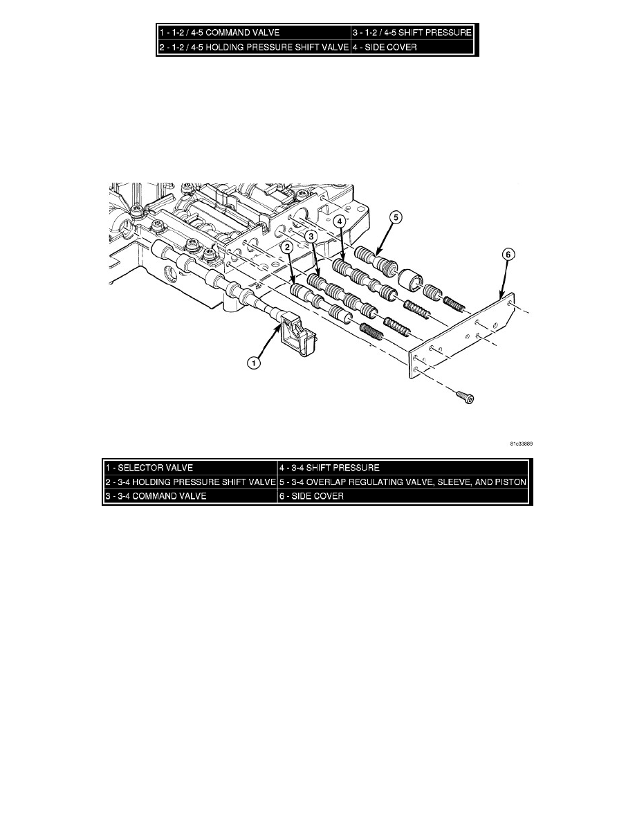
22. Remove the screws holding the side cover (4) to the valve body and valve housing.
23. Remove the 1-2 / 4-5 Command valve assembly (1), 1-2 / 4-5 Holding Pressure Shift Valve (2) and the 1-2 / 4-5 Shift Pressure Shift Valve
assembly (3) from the valve body.
24. Check all valves for ease of movement and shavings.
NOTE: The sleeves and pistons of the overlap regulating valves must not be mixed up.
25. Remove the screws holding the side cover (6) to the valve body and valve housing.
26. Remove the sector valve (1).
27. Remove 3-4 Holding Pressure Shift Valve assembly (2), 3-4 Command Valve assembly (3), 3-4 Shift Pressure Shift Valve assembly (4) and the
3-4 Overlap Regulating Valve Sleeve and Piston assembly (5) from the valve body.
28. Check all valves for ease of movement and shavings.
