Dodge Workshop Service and Repair Manuals
HOME
FEATURES
MENU
INDEX
ABOUT US
Trunk Lamp >
< Diagram Information and Instructions|Page 5931
Daytona L4-153 2.5L SOHC VIN B (1993)
Lighting and Horns
Tail Lamp / Diagrams / Diagram Information and Instructions
Page 5932
Page 4
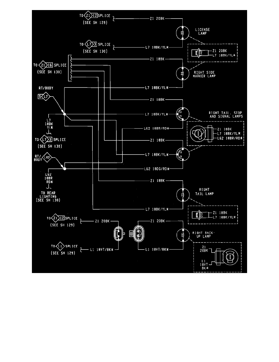
Rear End Lighting -- Part 4
Lighting and Horns
Tail Lamp / Diagrams / Diagram Information and Instructions
Page 5932
Trunk Lamp >
< Diagram Information and Instructions|Page 5931