Dodge Workshop Service and Repair Manuals
HOME
FEATURES
MENU
INDEX
ABOUT US
Diagram Information and Instructions|Page 84 >
< Diagram Information and Instructions|Page 82
Daytona L4-153 2.5L SOHC VIN B (1993)
Relays and Modules
Relays and Modules - Lighting and Horns
Headlamp Relay / Component Information
Diagrams / Diagram Information and Instructions
Page 83
Page 1
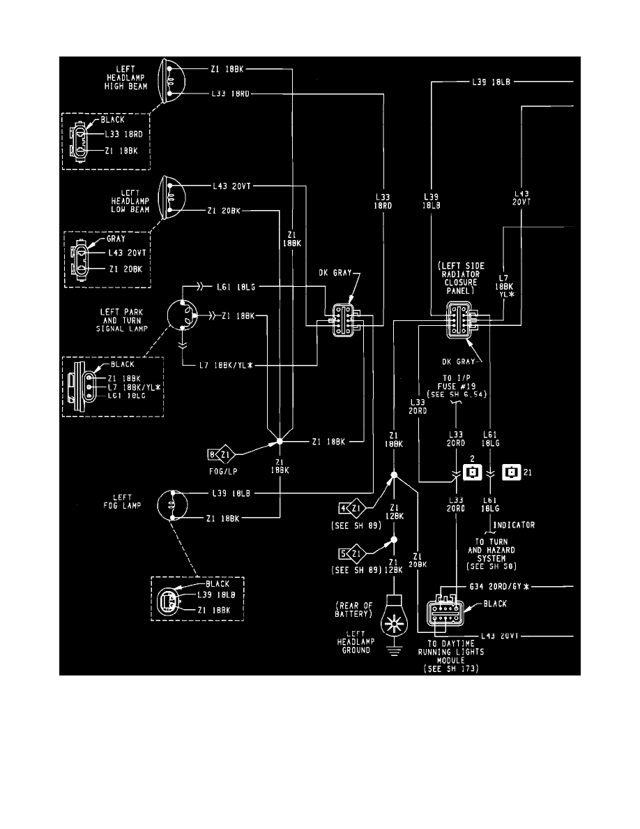
Headlamp Relay: Electrical Diagrams
Relays and Modules
Relays and Modules - Lighting and Horns
Headlamp Relay / Component Information
Diagrams / Diagram Information and Instructions
Page 83
Diagram Information and Instructions|Page 84 >
< Diagram Information and Instructions|Page 82