Dodge Workshop Service and Repair Manuals
HOME
FEATURES
MENU
INDEX
ABOUT US
Diagram Information and Instructions|Page 430 >
< Diagram Information and Instructions|Page 428
Daytona L4-153 2.5L SOHC VIN B (1993)
Sensors and Switches
Sensors and Switches - Instrument Panel / Dimmer Switch / Diagrams / Diagram Information and Instructions
Page 429
Page 1
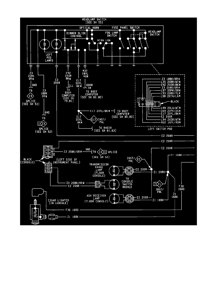
Dimmer Switch: Electrical Diagrams
Headlamps -- Part 1
Sensors and Switches
Sensors and Switches - Instrument Panel / Dimmer Switch / Diagrams / Diagram Information and Instructions
Page 429
Diagram Information and Instructions|Page 430 >
< Diagram Information and Instructions|Page 428