Durango 2WD V8-4.7L Flex Fuel (2009)

Engine Block Heater: Service and Repair
Engine Block Heater - Removal
3.7L/4.7L ENGINE
1. Disconnect the negative battery cable.
2. Drain the coolant from radiator See: Cooling System/Service and Repair.
3. Raise vehicle.
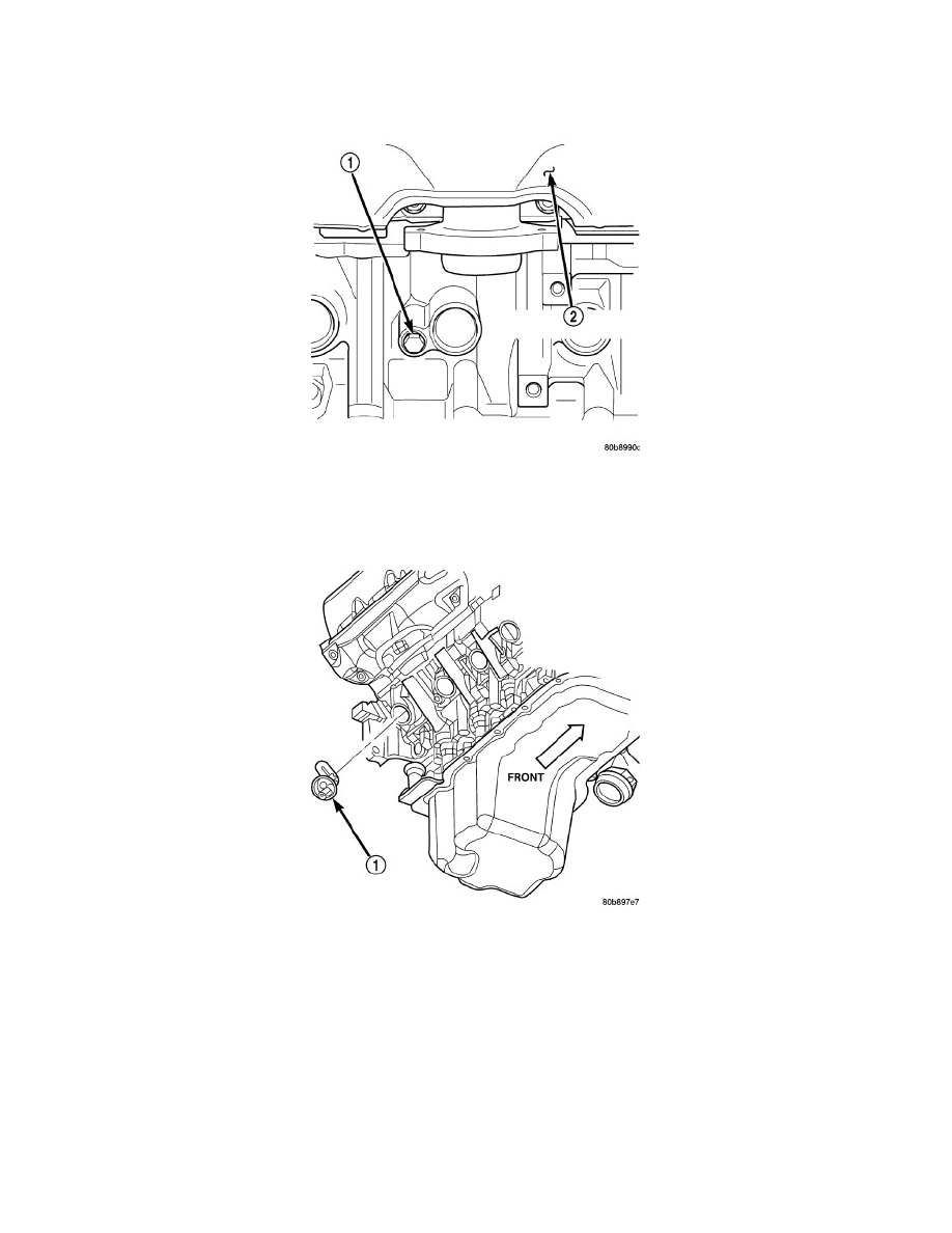
4. Remove the cylinder block drain plug(s) (1) located on the sides of the cylinder block above the oil pan rail.
5. Remove the power cord from block heater.
6. Loosen the screw at center of the block heater. Remove the block heater assembly (1).