Durango 2WD V8-4.7L Flex Fuel (2009)

Fuel Pressure: Testing and Inspection
Checking the Fuel Delivery System
CHECKING THE FUEL DELIVERY SYSTEM - NON HEV
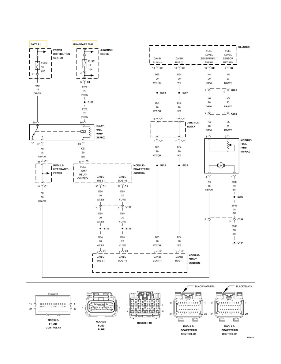
For a complete wiring diagram, refer to the Wiring Information See: Diagrams/Electrical Diagrams.